トップページ > くらし・環境 > まちづくり > 土地 > 国土調査 > 埼玉県の土地分類調査結果の閲覧 > 土地分類調査報告書(水海道・東京東北・東京西北)

ページ番号:16148

掲載日:2023年12月12日

ここから本文です。

土地分類調査報告書(水海道・東京東北・東京西北)

目次

序文

埼玉県における都道府県土地分類基本調査は、昭和37年度に、寄居図幅から開始され、以来18年間にわたって、全県下18図幅の調査を行い、成果品を順次発刊してまいりました。
今回の図幅は、「水海道」(昭和53年度調査)、「東京東北部」及び「東京西北部」(昭和54年度調査)の三図幅を合併して作成したもので、この図幅の刊行を持って埼玉県の土地分類基本調査は全県終了した次第です。
ご承知のとおり、土地分類基本調査は、同一の調査項目のもとに、地形・表層地質・土壌等、土地の基本的条件を明らかにしておりますので、地域の特性に応じた開発、保全、防災対策、宅地のスプロール化の防止等、各種の土地利用けい角策定の基礎資料になるものと考えております。
今後は、この成果品を、上に述べました目的に、最大限に利用していただきますことを切に願ってやみません。
おわりに、全県完了をみるまで、土地分類基本調査に関してご指導いただきました国土庁土地局国土調査課、ならびに調査機関として終始御助力いただいた埼玉大学、県農業試験場、県林業試験場等の関係者の皆様方に対し、心から御礼申し上げます。

昭和56年1月

埼玉県企画財政部長紀内隆宏

ページの先頭へ戻る

まえがき

  1. 本調査の事業主体は埼玉県で、国土庁土地局国土調査課の指導のもとに、国土調査費補助金をもって実施した。
  2. 本調査の成果は、国土調査法施行令第2条大1項第4号の2の規定による土地分類基本調査図及び土地分類基本調査簿である。
  3. 調査の実施、成果の作成機関及び担当者は次のとおりである。
調査の実施、成果の作成機関及び担当者

調査項目

作成機関及び担当者

地形分類調査

埼玉大学教育学部文部教官松丸国照

表層地質調査

埼玉県立自然史博物館所長須藤和人

準備事務所

傾斜区分調査

埼玉県立越谷南高等学校教諭林明

水系谷密度調査

埼玉県立大宮武蔵野高等学校教諭大沢今朝男

土地利用現況調査

坂戸市立北坂戸小学校教諭大附邦男

埼玉県教育局秩父教育事務所指導主任飯嶋治男

埼玉県立蕨高等学校教諭高山一

東松山市私立明法高等学校教諭松尾康弘

土壌調査

埼玉県農業試験場化学部長鈴木清司

″主任研究員秋本俊夫

埼玉県林業試験場次長野村静男

利水現況調査

埼玉県農林部耕地計画課主任長野敦年

″土木部河川課技師柳四郎

″″″辻修司

″衛生部環境衛生課″保科弘

防災調査

″土木部河川課″柳四郎

″″″辻修司

 

″企画財政部土地対策課課長飯田豊

″″課長補佐はい島昭

″″係長細田吉久

″″主事三村裕

ページの先頭へ戻る

総論

1位置及び行政区画並びに面積

位置

「水海道」図幅は、関東平野の内陸部、埼玉県の北東に位置し、茨城県、埼玉県、千葉県の各一部を包含する。
経緯度は、東経139°―45´~140゜―00´、北緯36゜―00´~36゜―10´の範囲内であって、図幅内の県内面積は44.30平方キロメートルである。

「東京東北部」・「東京西北部」図幅は、同じく関東平野の内陸部にあって埼玉県の東南に位置し、「東京東北部」は、東京都、千葉県の各一部を包含し「東京西北部」は、東京都の一部を包含している。
経緯度は、東経139°―30´~140゜―00´、北緯35゜―40´~35゜―50´の範囲内であって、埼玉県内地域は、東京東北部図幅内52.25平方キロメートル、東京西北部図幅内128.76平方キロメートル、合計181.01平方キロメートルである。

行政区画

「水海道」図幅内の県内行政区画は、春日部市、北葛飾郡幸手町、杉戸町、庄和町及び南埼玉郡宮代町の区域よりなる1市4町である。

「東京東北部」・「東京西北部」図幅内の県内行政区画は、川口市、鳩ヶ谷市、草加市、八潮市、三郷市、蕨市、戸田市、浦和市、和光市、朝霞市、志木市、新座市、富士見市、所沢市、入間郡三芳町の14市1町である。

ページの先頭へ戻る

2人口

本県の人口は、昭和55年6月1日の推計値539万2467人となり、昭和50年10月1日国勢調査482万1349人以降4年8ヶ月で、57万1118人増加した。
このような人口増加の原因についてみると、本県の社会的、経済的要因を背景として、住宅地の進出、工業団地の造成等による社会人口の増加が主たるものである。

ページの先頭へ戻る

3地域の特性

1自然条件

(1)地勢

「水海道」図幅内の県内分は何世の一部44.30平方キロメートルの地域で、北は庄内古川の一部を境にして茨城県に接し、東は南流する江戸川を境として千葉県に接している。江戸川沿い東北部に一部下総台地が存在するほかは、中川低地に属する水田地帯が連なっており、利根川、江戸川を水源とする用水に恵まれ、排水も古利根、庄内古川(中川上流部)その他数多くあり、県北東部の穀倉地帯を形成している。
「東京東北部」、「東京西北部」図幅の県内分は、東南の一部181.01平方キロメートルで、東は江戸川を境に千葉県と接し、南は荒川の一部を境として東京都に接している。
「東京東北部」は、中川水系の水脈に恵まれかつては、低平な水田地帯であったが、東京都に隣接する関係で、宅地・工場が密集しはじめ、残存水田での農耕は、きわめて不適合な環境となりつつある。
「東京西北部」は、荒川をはさんで、東部の低平地と、西部の武蔵野台地に分けられる。東部は、現在ほとんど市街地化区域となっている。西部は、丘陵地帯で畑も多く耕作されているが、東部と同じく東京都に接している関係で、都市化が急激に進んでおり、農業は衰退の方向をたどっている。

(2)気象

本県の気象は、いわゆる表日本型で、冬は乾燥して晴天が多く、日中北西季節風が強く吹き、夜から朝にかけての冷え込みが厳しい。夏は南東の季節風は弱く日中の最高気温はかなり高くなりむし暑く、夕方雷雨が多い。
平野部では9月に最も雨が多く(山地では雷雨のため8月に最も多い。)年降雨量は1400mmくらいである。気温は平野部で14℃(年平均)くらいで山地では海抜100mにつき0.5℃ずつ低くなっている。

(3)気象災害

本県の気象は夏を中心に発生し、10月から3月までは非常に少なくなっている。発生する度数の最も多いのは雷雨によるもので、全災害の半数に近い。そのうち半数くらいは降ひょうを伴っての被害である。しかし災害高からいえば台風による風水害が全災害の80%くらいをしめることになる。本県では凍災害も重大な災害となっている。

2社会的・経済的条件

(1)道路・鉄道

「水海道」図幅県内分は南西の一部であるが、都心から発し東北地方を結ぶ主要国道は4号と4号バイパス(予定)が走り、主要県道としては松伏庄和関宿線が南北に、境、杉戸線が東西方向に走っている。鉄道は特に走っていない。

「東京東北部」、「東京西北部」図幅内の道路は、第4図のとおり都心から発した数本の主要国道と、多くの県道が交差している。また、都心を囲む外郭環状線(国道298号)も将来開通する予定であり、道路網には恵まれている。
鉄道については、国鉄線として京浜東北線と武蔵野線が通り、私鉄線は、東武伊勢崎線と東部東上線が走っている。
なお、東北・上越両新幹線も開通する予定であり、新幹線に付随して運行する通勤新線駅も新設されることになっている。

ページの先頭へ戻る

3就業人口

県内の産業別人口の比率は、県南地域の住宅地化、工場地化の影響を強く受けて、農業従事者が減少したこと、又商業圏の拡大により金融、サービス業の従事者が増大したこと等により、第1次および第2次産業人口率が低下して、第3次産業の伸展が著しい。
「水海道」図幅内の市町村においては、第2次産業人口の増減に多少バラツキはあるもののおおむね同様の傾向を示している。
「東京東北」「東京西北」の両図幅内においては、県の産業別人口移動の特色を顕著にあらわしており、図幅内の全市町村において第1次・第2次産業人口率が低下し、過半数の市で第3次産業人口が50%を超えている。
市町村の産業人口の構成は次表のとおりである。

4土地利用

本県における土地利用の状況は、人口増加に伴う宅地需要と経済社会的要因による工場用地等の必要から農地の転用をうながしている。かい廃農地の面積は毎年焼く1500haにのぼっており、その用途別指向を見ると昭和35年には全県として住宅用地と工場用地が相半ばして約80%を占めていたが、住宅用地が暫増し、昭和47年以降は5対1の比率となり、工場用地の大幅な落ち込みを見せている。
地域的にみると市部では大規模工場の進出や住宅団地の建設等が顕著となっており、かい廃面積が大きく、町村部では交通至便の一部を除いては、分家の宅地化あるいは農業用施設が主となった自律的なものが多い。また県南部から外延的に拡大する都市化の傾向を受けた地価の高騰が、地域の土地利用体系に影響を及ぼしている。その状況は次表のとおりである。

ページの先頭へ戻る

4主要産業の動向

1農業

「水海道」図幅内は、都心から35~45km圏に位置しており、農業は農用地の86%を水田が占めているため、稲作に依存する現状である。このため、現在も稲作への志向が強く、これと結びついた施設園芸(きゅうり、いちご)等との複合経営が行われ、団地化が意欲的に推進されている。
しかしながら一部の地域では都市化による影響を受けて、農地のかい廃、農業労働力の流出、営農意欲の低下等農業の発展に好ましくない現状も生じ、用水路の汚濁も非常な悪影響を及ぼしつつある現状である。

「東京東北部」「東京西北部」図幅内においては、都市化の進展に伴って、耕地面積は減少の方向をたどり、耕作環境も良好とはいえないが、県民をはじめ首都圏住民に対し、野菜等生鮮食料品の供給に大きな役割を果たしている。

2商業

各市町村別の商圏は行政単位別に、あるいは鉄道、道路沿いに形成されているが、伝統的なローカル色の強い年毎の商圏が形成されている。

3工業

水海道図幅内における工場地域は比較的少なく、春日部市における木製品、装備品の製造、ワラ工芸、庄和町における精密工業が盛んな程度である。
東京東北部・東京西北部図幅内における工業は、川口市の鋳物産業に代表されるごとく盛んであるが、特に機械工業が主力といえる。しかし、機能の面からは、東京・神奈川の大メーカーに納入する部品の加工を主とした下請生産である。

ページの先頭へ戻る

5開発の現状と方向

水街道地域は東京より35~45kmの範囲にあり、都心からの交通も便利なことより、首都に集中する人口・産業の影響を受け、従来自然環境に恵まれた主として農業地域であったが、農業人口の減少と農地の転用を招き、土地の分散的虫喰い状態による混乱した宅地化が展開されている。
このため今後は、更に伸びることが予想される宅地化の現象をふまえ、自然環境の保全と地域の自然的、経済的、文化的条件との調和に配意しつつ、生活環境と農業、商工業との均衡ある発展を図ることを目標に、計画的に土地の利用ができるようにしたい。これらの目的を達成するため、次の施策が昭和55~56年度に市町村別土地利用計画として樹立されるので、今後は地域の調和のとれた開発が期待されている。

  • (1)優良農用団地は土地生産力も高く、営農意欲も旺盛な地域であることより、ほ場条件の整備により首都圏農業として、農用地の高度利用とあわせて緑地機能化を図る。
  • (2)都市的土地利用が主体となった地域については、都市機能の整備、住環境の保全整備を図る。
  • (3)住工混在地区は適地に工場用地を指定整備し、これらの地域への誘導を図る。

東京東北部、東京西北部地域は、東京から30kmの範囲にあり、鉄道、道路の交通網の発達している。宅地化が最も進んだ地域であり、農地の壊廃は激しい。
今後のこの地域の開発方向としては、都心のベッドタウンとしての位置づけとともに、市街地の進行している地域では、都市の再開発と基盤整備をすすめ、住宅の建設と工場の立地を計画的に推進する。一方、市街地に混在する工場の移転等を積極的に図り、都市基盤の整備を推進する。

ページの先頭へ戻る

各論

1地形分類図

水海道

「水海道」図幅地域は関東平野の中央部に位置する。埼玉県は本図幅の南西部を占めており、権現堂川および江戸川によりその北限と東現をそれぞれ境されている。調査地域は平坦な中川低地が開けており、その東に野田台地の西縁部にあたる宝珠花台地が発達する。地形分類図は、現地調査、航空写真、経年的な地形図間の比較研究の上から検討された。本地域の地形は北東部の宝珠花台地上の北葛飾郡杉戸町目沼の17.8mを最高所にもち、台地上はほぼ10~11mの高度を保つ平坦面から成り立っている。台地上の谷地田は宝珠花出最大であり、南北方向に1.2km続いている。
低地は、西から古利根川(下流域で中川と呼ばれる)と荘内古川が南流し、両河川の歴史的な氾濫原下にあった所である。両河川の上流側、幸手町惣新田では自然堤防がよく発達し、後背湿地には表層地質図でみられるように、砂質粘土が分布する。一方、下流側の杉戸町から庄和町吉葉方面では河川の蛇行が著しいために、わん曲した自然堤防と幾重も河川が描いた流向とを認めることができる。河川は時に停滞したために、後背湿地には腐植土が広く発達している。
本図幅は地形的特性から、下記の地形図に区分した。図幅内の台地は微視的に観察すると、ゆるやかなうねりが存在する。これは、台地面はいつも安定した面を保っていなかったことを示している。しかし、それは人為的な作業によるか自然現象のものかの判断はできない。低地は河川による開析度合と氾濫原分布域を主として分類した。全体として、下記の如く分類される。

  1. 台地
    • 1a宝珠花台地
  2. 低地
    • 2a中川低地
  3. 砂丘
    • 3a春日部砂丘

1台地

1-1宝珠花台地(1a)

本台地は江戸川以東の野田台地に接続していた台地である。現在、両台地は江戸川によって分断され、東西に分かれて配置している。現在の江戸川流域は両台地間に存在していた谷地田によって開析され、しかも狭細な低地が開けていた所であり、江戸時代に、人工的に河道の堀割が行われた。
宝珠花台地では、庄和町西金野井、松伏町築比地付近に、また、野田台地では、野田市清水公園の西にそれぞれ南北に長く続く谷地田を始め4ヵ所に顕著な谷地田が発達している。現在、谷地田は水田・畑地に利用されている。本台地は、中川低地に接する箇所において崖を形成している。

2低地

2-1中川低地(2a)

本低地は「古河」図幅の加須低地から接続し、その南東に開けており、昔の利根川(現利根川の流向ではない)、現古利根川の南北流向による氾濫原からなる。中川低地は現在、古利根川(下流では中川と呼ばれる)および荘内古川(下流では大場川と呼ばれる)が昔の利根川水系の名残を示し東京湾に注いでいる。航空写真の判読と現地調査から、自然堤防の蛇行と旧河道が復元される。なお。当低地には水田が開けている。

3砂丘

昔の利根川(現古利根川)の旧河道に沿って点在する砂丘が本調査地域にもあって、それが春日部砂丘(3a)である。春日部砂丘は古利根川の左岸に南北約2.3km発達し、本図幅ではその北端が杉戸町本郷に認められる。石英粒を主とした砂質堆積物よりなり、砂丘上には赤松が繁っていることから被覆砂丘に属する。

参考文献

  • 石居企救男他7名(1973)地力保全基本調査「埼玉県北埼玉地域、地力保全調査研究報告、no.p.1-4,2maps.
  • 松丸国照(1975)埼玉県平野部の地質(その1)-とくに県東部の地下地質の概要-,埼玉大学紀要教育学部(数学・自然科学)vol.23p.61-69
  • 森川六郎(1970)埼玉県東部の地質と地下水、文部科学省特定研究(水文学)107pp.1map.
  • 埼玉県(1974)土地分類基本調査「熊谷」(国土調査)52pp.,7maps.
  • 埼玉県(1975)土地分類基本調査「鴻巣」(国土調査)51pp.,7maps.
  • 埼玉県(1978)土地分類基本調査「高崎・深谷」(国土調査)53pp.,7maps.
  • 松丸国照(1974)埼玉県熊谷付近の第三.第四系、埼玉大学紀要教育学部(数学・自然科学)、vol.22,p.31-46
    (埼玉大学松丸国照)

ページの先頭へ戻る

東京西北部、東京東北部

1地形分類図

「東京西北部」.「東京東北部」の埼玉県側図幅地域は関東平野の南部に位置し、西に武蔵野台地が開け、狭山丘陵へと高度を増し、東は江戸川が開け、東方に野田台地が発達している。つまり、調査地域は武蔵野台地・戸田市および川口市が開けている川口低地・草加市から八潮市を経て三郷市が開けている中川低地からなる。この地域の地形分類図葉現地調査、航空写真、経年的な地形図間の比較研究などからまとめられた。本地域の西部に発達する武蔵野台地から高度が増す所沢市愛宕山および松郷以西の所沢台地は海抜60m以上で、図幅中最高所の地域である。この高所から関越自動車道をほぼ境に東に武蔵野台地が開け、56mから川口低地にのぞむ崖面上の20mへと漸次高度が下がっている。一方、「野田」図幅の川口市安行市街地の発達する北足立台地鳩ヶ谷支台から接続する本図幅の川口市赤井では、本支台の高度は19.2mを最高所に中川低地にのぞむ崖面上で10mと漸次低くなっている。
所沢台地では関東ローム(下末吉+武蔵野+立川各ローム)が7~8m層厚で発達し、その下位に多摩期に相当する所沢台礫層が発達し、不整合下に東京層が存在する。また、武蔵野台地では関東ローム(武蔵野+立川各ローム)が平林寺のある野火止付近一帯で7~8mと厚いが他は4m程度の層厚で発達し、その下位に白子川~柳瀬川間の台地崖下に板橋粘土・成増礫層(いずれも下末吉期)、不整合下に東京層(多摩期)が存在する。一方、鳩ヶ谷支台では関東ローム(武蔵野+立川各ローム)が4m程度で発達し、下位に川口粘土(下末吉期・東京層に属する)が存在する。台地面上は谷地田により開析されて、凹凸の微地形が発達し、表面はうねっている。
低地は川口低地の浦和市西浦和で6~5m程度であり、川口市東領家で3mと低い。一方、中川低地でも草か市街地で4.1mであり、南東方面の三郷市高洲では1.7mとなる。川口低地は荒川・入間川・新河岸川などによる荒川水系の氾濫原であり、中川低地は中川(古利根川)・綾瀬川・大場川(古荘内古川)・江戸川(古荘内古川)などの中川水系の氾濫原である。従って、両低地は諸河川およびそれらの支流が現在までに何回となく流向を変え、蛇行し、広大な氾濫原の背後に自然堤防を、また溢流した背後には残存湿地帯を広く形成した。自然堤防は曲線的に発達し、川口低地では川口市江戸袋、中川低地では八潮市木曽根でその形態を見ることができる。
本図幅は地形特性の上から、下記の地形区分に分類した。低地は河川の開析程度と氾濫原分布域を主として分類されている。ここでは下記の分類が認められる。

  1. 台地
    • 1a所沢台地
    • 1b武蔵野台地
    • 1c北足立台地鳩ヶ谷支台
  2. 低地
    • 2a川口低地
    • 2b中川低地

1台地

1-1所沢台地

隣「青梅」図幅に主部我あり、狭山丘陵に接続し、高度の一段下った台地で、その東方延長部が本図幅内に位置する。所沢台地が武蔵野台地に接続する所は所沢市大岾付近および城―坂之下間で、後者では柳瀬川の支流(谷地田内の河川)によって両者は互いに切られており、高度差が明瞭である。本台地には武蔵野線が開通しており、オープン・カットの切割には関東ロームがよく観察される。県道所沢・青梅線および旧道沿いには集落が、台地面上には畑作地および昔ながらの武蔵野の林、木立ちが残っている。

1-2武蔵野台地

所沢台地より接続し、川口低地に急崖をもって臨む間に発達する。本台地の地形特性として、平林寺の裏山は海抜53mであって、周囲の面より10mほど高い丘になっている。台地面上は所々に浅い谷地田および楕円形の凹地が存在している。本台地上には北西より南東へ、三芳町・新座市・朝霞市・和光市の市街地が存在するほか、平林寺・自衛隊駐屯基地などがある。交通網の整備・拡充とともに、この台地は東京のベット・タウンとして都市化が急速に進んでいる。現在は市街地の形態、集落の分布、耕作地の割合、道路網の密度などの見地からはまだまだ東京の副都心とはいえないが、そう遠くない将来に現実のものとなろう。

1-3北足立台地鳩ヶ谷支台

隣「大宮」図幅に主部があり、その関東延長部が本図幅内に位置する。この台地は川口・中川各低地に急崖をもって臨んでいる。川口市安行吉岡・大竹・峯では谷地田がそれぞれ発達している。台地上には自社、住宅、学校および電波塔が建ち並んでいる。当地は旧来、大宮台地と総称されてきた。しかし調査の進歩につれ、細分された為に本支台が命名されている。台地の歴史が復元されるにつれこの分類は将来重要視されるべきである。

2低地

2-1川口低地

隣「大宮」図幅の荒川低地に接続する川口低地はその境界域を「大宮」図幅の浦和市田島および鹿手袋付近に持ち、南方の川口市方面へと開ける。中央には荒川が流れ、西は武蔵野台地と接し、東は北足立台地鳩ヶ谷支台が南につき出している。低い平坦な所であり、台風時には沈水することが多い。当地は、縄文後期まで海が侵入していた所である。海退後の低地には、戸田市鍛冶谷地区の4~5世紀ころの遺跡が発見されている資料を照合すれば、古代人が住める環境に発展していた。低地は微小な起伏があり、自然堤防および後背湿地内の高まりが認められる。古代人はこれらの高まりに住居を構えていた。川口市青木町や本町などの高まりなどは新しい三角州の堆積物が後になって、河の氾濫期、増水期の際に侵食されたものであろう。本図幅では、高まりは自然堤防として分類されている。
川口低地には毛長堀が北足立台地を境するように東流するほか、入間川・新河岸川の旧蛇行が志木街道安岐ヶ瀬橋下流の志木市宗岡~大宮バイパス笹目橋間に著しい。現在、荒川氾濫原下には各所に三日月湖として跡を残している。荒川氾濫原内は浦和市さくら草公園、戸田ゴルフ場、工場、下水処理場などに、荒川~鳩ヶ谷支台間は、蕨市、戸田市、川口市の市街地に発展した。川口市は荒川の地の利の上から、埼玉県工業史の上で不可欠のキューポラ工場が建ち並んだ。しかし、現在、工場は閉鎖後マンションに変わった。川口市は副都心のベット・タウン化傾向にある。美女木から新畠にかけての湿地帯はかつて広い水田耕地であったが、埋め立てられ、工場、倉庫が進出している。かくて、自然環境は人為的に変貌している。

2-2中川低地

本低地は隣「野田」図幅の中川低地の南に接続し、北足立台地の東縁と野田台地の西縁に境されて広がる低地である。中川低地は中川(古利根川)・綾瀬(元来、元荒川の一支流)によって開析された低地であり、1万年前の縄文海進時には浅海域で軟体動物などが多数生息していた。現在、地下30m前後の沖積層の下部粘土層(後出)にはこの当時の貝殻が多数発見されている。本低地は自然堤防(一部は三角州堆積物起源の高まりも含む)、後背湿地、湿地からなり、自然堤防、後背湿地の一部は古くからの集落が発達し、草加市街地・八潮市街地の母体となっている。三郷市役所を始めとする湿地は古くから水田耕作地であったが、しだいに埋め立てが進み、工場、学校、団地の他、浄水場などが建設中である。当低地も都市化が進み、交通網の整備・拡充とともに副都心の様相を帯びてきている。

(埼玉大学松丸国照)

文献

  • 松丸国照(1975)埼玉県平野部の地質(その1)―とくに県東部の地下地質の概要―埼玉大学紀要教育学部(数学・自然科学)、vol.23,p.61-69
  • 森川六郎(1970)埼玉県東部の地質と地下水、文部科学省特定研究(水文学)107pp.,1map.
  • 埼玉県(1972)土地分類基本調査「川越」(国土調査)32pp.,7maps.
  • 埼玉県(1973)土地分類基本調査「大宮」(国土調査)35pp.,8maps.
  • 埼玉県(1979)土地分類基本調査「野田」(埼玉県内、国土調査)45pp.,8maps.

ページの先頭へ戻る

2表層地質図

〔水海道地域〕

第四系はヨーロッパではカラブリアン(Calabrian)の基底部以降を指し、古地盤気層序の上でオルドバイ正磁極期以降の岩相からなる。従って、第四紀は今から180万年前から始まる。「水海道」図幅地域は関東平野の中央部に位置し、第四紀の洪積層、沖積層からなる。洪積層は宝珠花台地において表層下10数mが観察される他は、沖積層に不整合に被覆されるため、下位の地層はボーリング・コアでしか観察されない。一方、沖積層は表層下の地層をやはり、ボーリング・コアで確認する手法によって観察することができる。
本調査は50m以浅のボーリング資料および隣「鴻巣」・「野田」両図幅の400m以浅のボーリング資料により、地下地質の層序と構造を検討し、台地の洪積層と低地の沖積層との不整合アバット形式がみられる崖において現地調査を実施した。従来の既存資料と新たに得られた資料を総括し、表層地質図を作成した。沖―洪積層の境界は基本的には「鴻巣」・「野田」両図幅で行われた基準で適用することができ、N値8未満で、しかも暗色系腐植泥の混入、貝殻の混入のあるシルト質細砂層~細砂層とN値10以上、含水小の固結シルト質細砂~砂礫から上部へ細砂に移化する地層との間に求められる。
調査地域内に分布する地層から、その層序は第1表のとおりである。本図幅地域と他地域との対比は、コア柱状図の岩相の堆積サイクルの規則性、N値、電気検層図、含貝化石層準、浮石―火山灰物質含有層準、ストレーナの位置などから検討し、総括した。「大宮」図幅内の南浦和5号井は所沢、新座試錐と対比はかなり良くできていることから。「大宮」図幅と本図幅間の岩相対比を検討した。その際に、本図幅内には微化石調査の報告は皆無であるため、隣「鴻巣」図幅内の除堀試錐を参考にしてある。現在はコアの微化石調査研究に従事し、本図幅の精度を上げるために研究を開始している。

1未固結堆積物

未固結堆積物は低地に広く発達する沖積層である。低地の微地形は多様な未固結堆積物質の分布に大いに影響されている。また、本堆積物は水平・垂直両方向に層相変化が著しい。従って、特徴的な堆積物の概要のみを記載する。

1-1砂泥堆積物

本地域の古利根川、権現川―荘内古川などの現河川および現河川と結びついた用水河川、水田に導入された用水路、旧河川流路の河道ないし氾濫原には暗褐色から茶褐灰色の微細~細砂および泥質堆積物が薄く、あるいは混入して堆積している。その層厚は河道、氾濫原でまちまちで、大体2~3mである。また、本堆積物は層相変化が著しく、水平的に腐植土層、泥質堆積物ときには砂質堆積物に移り変わる。標準貫入試験N値は砂層で3~5、泥層で0~2を示し、一般に軟弱である。本堆積物の下位には暗青灰色の細砂層がところにより粘土をポケット状に含んで発達することが多い。

1-2砂質堆積物

砂丘堆積物は自然堤防において良く発達し、分級淘汰の悪い暗灰色細~粗砂を主とする堆積物からなる。自然堤防の表面では比重の重い粗砂が残存し、粘土~シルトなどは風などにより飛ばされて、一見粗砂から構成されているように見える。しかし、表層下では淘汰の悪い砂に混じって粘土及びシルトが混在する。N値は4~20であり、地盤が安定しているため、古くから陸羽街道に沿う民宿および集落が形成されていた。下位には低地特有の暗灰色粘土層が厚く発達し、ところにより細砂層をポケット状、レンズ状に挾有している。

1-3砂丘堆積物

砂丘堆積物は古利根川河道沿いの氾濫原跡に小分布し、透明ときに淡黄半透明丸味を帯びた石灰を始めとする火山砂などの粗粒堆積物から構成されている。

1-4泥質堆積物

本層は低地帯の氾濫原全域をほぼ被覆する代表的な堆積物である。その上、台地上の開析地である。谷地田にも小分布している。前者は暗灰色を呈し粘土~シルトからなるのに対し、後者は黒褐色の粘土質腐植土~腐植層からなる。一般にN値は0(モンケン自沈)~2と非常に低く、極めて軟弱になっている。
幸手町新渡船橋付近の中川低地では、地下地質は表層下3mまでは泥質堆積物の暗茶色砂質粘土(N値4~6)からなり、森川六郎(1970)の上部粘土層、4mまでは青灰色細砂(N値3、森川六郎、上部砂層―当地では極めて薄層)、16mまでは青灰色粘土、ところにより砂質~シルト質粘土(N値1~3、ときに6~8と安定するが極めて軟弱であり、森川六郎の下部粘土層に相当)、17mまでは暗灰色のシルト質~砂質粘土(N値2、森川六郎の下部砂層)となる。17m以深は洪積層となる。
一方、春日部市立野~春日部東高等学校付近では青灰~褐灰色の粘土が多量の腐植物と貝殻を混入して表層下30mまで発達し、N値0~3程度と非常に軟弱である。また、28~30m間には細砂質~シルト質粘土(森川六郎、1970、の下部砂層)が発達し、やや締まっている。しかし、当地域では森川六郎の上部砂層の発達は悪く確認されない。しかし、隣「野田」図幅では再び、上部砂層が顕著に発達している。洪積層は30m以深にあって、暗褐灰~茶灰色の腐植土を混入する砂質粘土をもって発達する。

ページの先頭へ戻る

2火山性岩石

関東ローム

本層は宝珠花台地上に分布している。本調査では台地が低地に臨む崖面の観察、計測および台地上からのボーリング・コア資料をもとに関東ローム下の層序を述べる。関東ロームは数cm~10数cmの暗茶色の表層土壌から下位へ3.8~4m層厚で発達する黄褐~茶褐色を呈し、全般に縦縞状に亀裂帯が存在する火山灰堆積物から構成されている。亀裂帯間には横縞状に暗色帯が鷲の巣で観察できる。そこでは亀裂帯の黄褐色ロームは、腐食物を含まない壌質から強粘質の土性、N値4~6をもっている。本台地の関東ロームは武蔵野+立川ローム期に相当する。関東ローム下は黄灰~暗黄灰色砂質粘土が40~45cm、その下位に暗黄灰色で浮石まじり細砂が55~60cm、黄灰色浮石まじり粘土が1m10cm~1平方メートル0cm、黄褐色粘土質砂が50cm、淡黄灰色浮石まじり粘土が1m70cmとそれぞれ発達する。上記の4m以上の粘土質層は「野田」図幅の庄和台地および鳩ヶ谷支台でも発達するもので、川口粘土層に対比されるものと考えられ、下末吉期に相当する。粘土質層下位には暗黄灰~暗青灰色中砂が顕著に発達し、ときに浮石を混入し、N値10~20であり、層厚7m50cmに達する。この砂層は北足立台地の浦和第二電報電話局ボーリング・コア(UR-6)の解析をした森川六郎(1963)による第1砂礫層(武蔵野台地の山手砂礫層に対比されている)に対比されるものと思われる。つまり、この砂層から東京層が発達する。

ページの先頭へ戻る

3半固結―固結堆積物

3-1東京層

本層は本図幅の表層には露出しない。従って、ボーリング資料で確認されるだけである。宝珠花台地下では表層下7.6m以深に暗灰~暗黄灰色中砂(前記の山手砂礫層相当層)が7.5m、暗灰色シルト~粘土層が2.3m、暗灰色で浮石まじり砂層が1m、暗灰色砂質シルト~シルト質粘土層が3.4m、暗灰色粘土層が1m暗青灰色細砂が4m、青灰色粘土層が2m弱、暗灰色腐植質粘土層が1m、暗灰シルト~シルト質粘土層が7m、細砂層が4m以上とそれぞれ発達する。標準貫入試験をみると、東京層の粘土質層のN値は10~15と安定しており、砂層のN値は20以上と高く、締まった地層状態を示している。本層は東京都の低地下における東京層(狭義)相当層であり、当地では漸層厚35m程度発達する。
一方、杉戸町藤榒(からみ)の中川低地では森川六郎(1963)の沖積層区分の上部粘土層、上部砂層、下部粘土層、下部砂層がそれぞれ表層下2m、8~9m、31~34m、33~36mにあり、その下位に埼玉層上部層が発達している。低地下では東京層は認められない。

3-2埼玉層

本層は東京層の下位に発達する地層で、森川六郎(1970)によれば、3枚の基底礫層の存在によって上部、中部、下部の3部層に細分されている。とりわけ中部層は粘土質層の発達がよく、火山灰起源の浮石、スコリアが混入している。本層はボーリングによって確認され、地表には露出していない。そのため、3部層からなる本層の層序は、ボーリング資料から確認する上でとりわけ電気検層、ストレーナ、堆積輪廻、浮石と化石の混入層準などを目安としてコアの対比を行うことにより、確認される(「鴻巣」図幅、P31-32参照)。

本地域では、埼玉層上部層が浅井戸から確認され、杉戸町藤榒(からみ)では暗青灰色の砂礫層(N値50以上)が表層下35.6mから37.5m間に発達する。その下位に、暗青灰色細砂(N値40以上)が優勢の砂質シルトとの互層が40.5mまで存在する。一方、杉戸町惣新田の表層下32.2mから37m間に埼玉層上部層の暗青灰色砂礫層(N値50以上)が発達する。その下位には38.5mまで暗青灰色細砂(N値30~40)が主体でシルトを挾有し、下位の41.4m間に暗青灰色粒子均一の粗粒砂(N値50)がそれぞれ発達している。

参考文献

  • 石居企救男他7名(1973)地力保全基本調査「埼玉県北埼玉地域、地力保全調査研究報告、no.14,p.1-4,2maps.
  • 関東ローム研究グループ(1964)関東ローム、築地書館、378pp.2maps.
  • 木野義人(1965)埼玉県久喜付近の地下地質と深層地下水―久喜Gs―1芳井試堀に関連して―地調月報、vol.16,no.5,p.1-15.
  • 松丸国照(1975)埼玉県平野部の地質(その1)―とくに県東部の地下地質の概要―、埼玉大学紀要教育学部(数学・自然科学)、vol.23,no.5,p.61-69.
  • 町田瑞男(1973)武蔵野台地北部およびその周辺域における火山灰層位学的研究、地質雑誌、vol79,p.167-180.
  • 森和雄他4名(1974)埼玉県新座市.所沢市の試錐とそれに関連する地表および地下地質・地調月報、vol.25,p.1-17.
  • 森川六郎(1970)埼玉県東部の地質と地下水、文部省特定研究(水文学)107pp.,1maps.
  • 埼玉県(1974)土地分類基本調査「熊谷」(国土調査)、52pp.,7maps.
  • 埼玉県(1975)土地分類基本調査「鴻巣」(国土調査)、51pp.,7maps.
  • 埼玉県(1978)土地分類基本調査「高崎・深谷」(国土調査)、53pp.,7maps.
  • 新堀友行他2名(1970)関東平野の地下地質第2報、資源研彙報、no.73,p.30-36
    (埼玉大学松丸国照)

ページの先頭へ戻る

〔東京東北部・東京西北部地域〕

本地域は関東平野の南部に位置し、当域にはボーリング資料によれば、360m以上にわたる粘土、砂、礫からなる厚い第四紀層が堆積している。調査は今日まで1000本あまりのボーリング資料のほか、台地の洪積層と低地の沖積層の現地調査、既存の資料、文献などに基づいて行われた。地下地質は浅井戸から洪積―沖積層間の境界を次の観点から決定した。(1)標準貫入試験のN値は、特に粘土(記載によってはシルト)において、洪・沖積層を判定する上で重要である。つまり、N値10~20は洪積層の粘土江あり、0~5は沖積層の粘土である。(2)コアおよびコアの記載に着目すると、洪積層上位の沖積層は森川六郎(1963)による大局的な層序(上位へ)、下部砂層、下部粘土層、上部砂層、上部粘土層からなる。このことは関東平野中央部の低地下で広く確認することができるので重視される。(3)局地的には同一敷地内の複数のコア間の対比を詳細に検討し補正しあって層序を決める作業を行う。大局的には(2)の層序を確認することができる。(4)コアのない記載文だけの資料を扱う場合は、洪積層は含水量が少ない、比較的明るい色の岩相、薄層および浮石を挾有するのに対し、沖積層は含水量が多い、暗色の岩相、ポケット状とかレンズ状の混入物質の挾有、貝殻や腐植物、有機物を多量に混入する、などの点に留意する。
本調査地域に分布する地層およびボーリング・コア柱状図などに基づいて総括すると、本図幅地域の地質層序は第1表のとおりである。また、本図幅地域と他地域との対比はN値、電気検層図、貝化石層準、浮石―火山灰物質含有層準、ストレーナの層準などから求めた。これらの資料から、岩相変化の著しい第四紀層間の対比を行った。岩相の堆積輪廻、特性を検討し、洪積層の層序は下位へ関東ローム(立川期~下末吉期)、所沢台礫層、東京層、埼玉層、古利根層とした。

1未固結堆積物

1-1泥質堆積物

本堆積物は後背湿地において、地表面から25m付近までは暗灰~暗褐灰色、地表面下2.5m~3m付近では青灰色となり、薄いレンズ状の極細砂を挾有する泥質堆積物である。クラックが発達し、場所により暗褐色粘土層と暗灰色粘土層間に黒褐~暗茶色の泥炭層、腐植物を持つ泥質堆積物が発達する。一方、開析谷地田においても、黒色の泥炭層~暗灰色泥質堆積物が発達し、後者はヨシ・マコモを母材とした多腐植物を混入している。また、台地から導入された火山灰物質をときどき取り込んでいる。地表課m前語から6~7mにかけては青灰~暗灰色の細砂~シルト質粘土が発達し、4~5m付近には砂層のクロスラミナが認められる。

1-2砂泥堆積物

本堆積物は現河川の河原(後背湿地の泥質堆積物を被覆している箇所)および旧河川の流路跡に発達し、暗灰~暗灰褐色を呈し、表層に腐植層を、その下位に酸化沈積物をもつ砂混じり泥質堆積物からなる。

1-3砂質堆積物

本堆積物は自然堤防地帯において顕著に発達している。灰褐~暗灰色を呈し、洪水時にオーバー・フローした際に導入された貧弱な腐植層を表層に持ち、その下位に酸化沈積物をもつ砂質層から構成されている。

ページの先頭へ戻る

2半固結―固結堆積物

2-1粘土層

本層は関東ローム(武蔵野+立川ローム)下の下位に発達するうぐいす色の粘土層で、層厚1m程度あり、3枚の浮石層を挾有する。この粘土層は町田(1973)の川口粘土層であり、北足立台地鳩ヶ谷支台の崖で観察される。一方、武蔵野台地の関東ローム(武蔵野+立川ローム)下に白~灰白色ときにうぐいす色の粘土が発達する。これは板橋粘土と呼ばれ、粘土中の黄白~黄緑色の浮石層中にはシソ輝石、角内石、普通輝石、ジルコン、磁鉄鉱などの重鉱物を含んでいる。

2-2砂礫層

本層は東京都練馬区成増下の崖で発達するものと同質の砂礫層で、本調査地域では武蔵野台地が川口低地に臨む崖、白子川、黒目川、柳瀬川各河川に面する崖に発達している。

2-3東京層

関東ローム下の砕屑物質からなる洪積統の地層を指し、川口粘土および板橋粘土(いずれも下末吉期の堆積物)が本層の最上位層準である。一方、低地に置いては本層は戸田高校下で、-22~-43m間に発達しており、ここでは青色細砂~砂礫である。

2-4埼玉層

本層は3枚の基底礫岩の発達から上・中・下部各部層に分類される(森川、1972:松丸、1975)、本調査地域では本層は新座市内において、-46~-183m間に、平田高校においては-43~-184m間に、草加市吉町浄水場においては-31~-265m間に発達する。上記の-183、-184、-265m下位の粘土、砂、礫からなる地層は古利根層となる。

ページの先頭へ戻る

3火山性岩石

3-1関東ローム

本層は北足立台地鳩ヶ谷支台では武蔵野+立川ロームが発達し、層厚4~4.5m程度発達する。下位に上述の川口粘土層が発達する。一方、武蔵野台地では白子川、黒目川間の台地で武蔵野+立川ロームが国道254以東で4m程度であるが、黒目川、柳瀬川間の台地では厚く7~8mとなる。一方、所沢台地では、下末吉+武蔵野+立川ロームが全層厚7~8mになる。

(埼玉大学松丸国照)

参考文献

  • 石居企救男他7名(1973)地力保全基本調査「埼玉県北埼玉地域、地力保全調査研究報告、no.14,p.1-4,2maps.
  • 関東ローム研究グループ(1964)関東ローム、築地書館、378pp.2maps.
  • 木野義人(1965)埼玉県久喜付近の地下地質と深層地下水―久喜Gs―1芳井試堀に関連して―地調月報、vol.16,no.5,p.1-15.
  • 松丸国照(1975)埼玉県平野部の地質(その1)―とくに県東部の地下地質の概要―、埼玉大学紀要教育学部(数学・自然科学)、vol.23,no.5,p.61-69.
  • 町田瑞男(1973)武蔵野台地北部およびその周辺域における火山灰層位学的研究、地質雑誌、vol79,p.167-180.
  • 森和雄他4名(1974)埼玉県新座市.所沢市の試錐とそれに関連する地表および地下地質・地調月報、vol.25,p.1-17.
  • 森川六郎(1970)埼玉県東部の地質と地下水、文部省特定研究(水文学)107pp.,1maps.
  • 埼玉県(1974)土地分類基本調査「熊谷」(国土調査)、52pp.,7maps.
  • 埼玉県(1975)土地分類基本調査「鴻巣」(国土調査)、51pp.,7maps.
  • 埼玉県(1978)土地分類基本調査「高崎・深谷」(国土調査)、53pp.,7maps.
  • 新堀友行他2名(1970)関東平野の地下地質第2報、資源研彙報、no.73,p.30-36
  • 埼玉県戸田市(1980)戸田の地質(1)古環境変遷史・資料・市史調査報告書第5集、116pp.

ページの先頭へ戻る

3土壌図

〔水海道地区〕

1土壌の概要

水街道図幅中の台地は江戸川沿いに、比較的広く位置する宝珠花台地のみである。台地は風積性火山灰土壌で被覆され、黒ボク土壌が主体であるが、厚層黒ボク土壌も一部に認められる。これら土壌は耕地として畑利用されている。台地上の谷地田には黒ボクグライ土壌があり、湿田となっている。
庄内古川を中心として、西の古利根川から東の江戸川にかけて、これらの河川の氾濫原からなる広大な中川低地があり、水田地帯となっている。各河川の上、下流域間の標高差は小さく、平坦な地形を反映して、低地の土壌は湿性のグライ土壌、黒泥、泥炭土壌が広く分布し、氾濫原での灰色低地土壌系の水田の分布は小さい。河川沿いや、旧流路沿いに発達した自然堤防には、壌質な褐色低地土壌あるいは、壌質ないし粘質な灰色低地土壌が一般に分布する。
林地土壌は、宝珠花台地上の黒ボク土壌と、春日部砂丘上の乾性褐色森林土壌であり、いずれも面積的には広くない。この地域の森林は、宅地、工場、あるいは公共施設等の敷地として使用され急速に減少している。また、残部の森林は放置されて下層植生が繁茂し、上層のアカマツ、クロマツに枯損木が散見されている。この傾向は特に砂丘地に多い。
本図幅の土壌は11土壌統群、16土壌統に区分された。

2土壌の細説

2-1台地の土壌

2-1-1厚層黒ボク土壌

大竹統(Ot)

宝珠花台地に局部的に分布する。地表から1m、あるいはそれ以上の厚さに黒褐色の腐植層が堆積した土壌である。壌質で腐植含量は5~8%で耕うんは容易な土壌であり、畑地としての生産力は中庸である。

2-1-2黒ボク土壌

大山統(Oy)

江戸川に沿った宝珠花台地上に分布する風積性火山灰を母材とする林地土壌である。この統は、下層が幾分発達した2~3cmあり、A1層は黒褐色で腐植に富むが、厚さは10~12cmであまり厚くない。A2層は暗褐色で厚さ30~50cmであり、堅密度はかなり緻密である。下層のB層は褐色又はにぶい黄褐色で粘質であり、A2層との境界は明瞭である。全層がやや黄褐系であること、腐植の滲透度もやや深いことで、桶川統(Ow)と区別している。林相は、天然性のアカマツとコナラ、エゴノキ等を主とする落葉広葉樹との混交林が多いが、スギ、ヒノキの人口林もある。林地としての生産力は中程度である。

冑山統(Kb)

宝珠花台地の大部分をしめる風積性火山灰土壌である。表層には腐植が7~8%含まれ、黒褐色を呈する。50cm前後から、腐植含量3%、層厚10~30cm程度の褐色の漸移層となる。その下層から黄褐色の心土が出現する。土性は全層にわたり壌質ないし粘質である。畑利用が中心であり、生産力は中庸である。

2-1-3黒ボクグライ土壌

三ツ木統(Mku)

宝珠花台地の谷地田、及びその低地への開口部に分布する。表土の母材は黒ボク土壌の二次堆積物からなり、多腐植であり黒色を呈する。下層はほぼ50cm以内から泥炭が出現する。排水不良田であり、かつてはかなりの周年湛水田が認められた。根ぐされ等生理障害を起こしやすく、水稲の収量は低い。

ページの先頭へ戻る

2-2低地の土壌

2-2-1褐色低地土壌

新戒統(Si)

本図幅では、幸手町木立附近の自然堤防上に分布する。表土の土性は壌質が主であり褐味が強い。層序の変化に乏しく、下層まで同様の土壌が続くことが多い。全層に酸化沈積物は認められず、乾性な環境にあることが示される。畑利用がなされ、生産力は比較的高い。灰色低地土壌の清水統と共に、埼玉県沖積畑地土壌の代表的な土壌である。

2-2-2細粒灰色低地土壌

平塚統(Htu)

中川低地の氾濫原(後背湿地)及び旧河道にあり、幸手町佐左衛門でやや広く分布している。全層とも強粘質で、土色は黄灰系で明るく、酸化沈積物に富む。次層以下で柱状ないし塊状構造が発達し、水の縦滲透の良好なことがうかがえる。地下水位は、ほぼ週年1m以下であり、典型的な乾田となっている。裏作は可能であり、生産力は高い。

下樋遺川統(Shy)

中川低地内の自然堤防に普遍的に、分布する。表土、下層いずれも強粘質な畑地土壌である。畑利用されているため若干褐味があり、また構造の発達は中程度である。周辺水田との高低差はあまりなく、次層以下に酸化沈積物が認められ、畑のほか、陸田となっている所もある。

2-2-3灰色低地土壌

清水統(S)

図幅の比較的北部の、中川、庄内古川沿いの自然堤防にやや広く分布する。全層腐植含量は5%以下で、土色は下層で若干明るくなる。土性は表土では主として壌質ないし粘質であるが、下層では強粘質となることもある。全層にわたり酸化沈積物を含み、構造の発達程度は弱である。畑が主であるが、陸田となっている場所もみられる。

2-2-4細粒グライ土壌

山田統(Ya)

図幅中部の氾濫原に大面積分布する。全層強粘質土壌からなり、腐植含量は2%程度で、下層50cm以下で、ほぼグライ化し、土色は灰~暗緑灰を呈する。しかし青緑色の典型的グライ層が出現することはまれである。半湿田に属し、裏作可能で生産力は比較的高い。

2-2-5グライ土壌

片柳統(Ky)

幸手町神扇を中心とした、中川、庄内古川の右岸沿いの氾濫原に広く分布する。表土は壌質が主体となり、下層が強粘質な土壌となる場合がある。下層50cm以下で、灰~暗緑灰の層があり弱グライ化している。山田統と共に半湿田に属し、冬期は比較的乾き裏作可能である。

菅島統(Sz)

江戸川沿辺、幸手町菅島付近に小面積分布する。強グライ土壌であり、作土直下からグライ層となる所もあるが、おおむね50cm以内でグライ層が出現する。表土の土性は壌質で、下層は粘質あるいは強粘質土壌となることもある。層序的には片柳統のグライ層位置が更に上がったものと考えられる。湿田であり、裏作は困難である。

赤沼統(Ak)

菅島統と同様幸手町の菅島において、江戸川の氾濫原(後背湿地)に小面積ずつ、分布する。強グライ土壌であり、表土は壌質である点菅島統に類似するが、下層が砂質土壌となる点で区別された。湿田であり裏作は困難である。

2-2-6低位泥炭土壌

鯨井統(Ku)

江戸川よりの氾濫原(湿地)に分布する。表土は一般に強粘な土壌であり、次層では粘質、あるいは壌質となることもある。下層50cm以下で泥炭層(質)となる。泥炭出現位置が深いため、その植生への影響は大きくないと考えられる。裏作可能な半湿田であり、生産力は中庸である。

下八ツ林統(Syb)

図幅下部の氾濫原(湿地)に広く分布する。層序的には鯨井統の泥炭出現位置が50cm以内に上昇した土壌である。低湿田であり、水稲は根の障害を受けやすく、生産力は低く、また裏作も困難である。

2-2-7黒泥土壌

花和田統(Hw)

図幅中杉戸の深輪付近の氾濫原(後背湿地)に分布する。表土は強粘質な土壌からなり、50cm以内から黒泥層となる。黒泥層は1m以上に及ぶ場合と、下層1m以内から強粘土壌になる場合とがある。下層の強粘土壌は一般にグライ化している。湿田であり、裏作利用は困難である。

ページの先頭へ戻る

2-3砂丘地の土壌

2-3-1乾性褐色森林土壌

山下統(Ya)

春日部砂丘上に狭長く分布する林地土壌である。AO層やや厚いL層の下に、厚さ3cm程度のF層またはF―H層が発達しているのが特徴的である。A1層は腐植に富み、黒褐ないし暗褐色であるが、厚さは2~3cmであまり厚くない。A2層は暗褐色で厚さ5~8cmで、褐色ないしにぶい黄褐色のB層に急変する。全層が砂層(中砂)である。植生は、天然性のアカマツ林やクロマツを交えたアカマツ林や、これとクヌギ、コナラ、シデ類等の落葉広葉樹との混交林となっている。しかし、放置された大部分のこの林地では、下層には、シラカシ、アラカシ等のカシ類やアズマネザサが侵入し繁茂して来た。このようなところでは上木のマツ類は生気を失い、マツノザイセチュウの被害と思われる、マツの枯損木が散見される。林地としての生産力は高くない。

ページの先頭へ戻る

〔東京東北部・東京西北部〕

1土壌の概要

「東京東北部・東京西北部」図幅の地形は、台地と台地に大別される。台地としては、図幅西端から東に向かって広がる、所沢台地及び武蔵野台地が比較的大きな面積を占め、また、中央のやや東寄りには鳩ヶ谷台地の南端が、小部分存在している。台地の土壌はすべて火山灰を母材とした土壌である。台地上で最大の分布面積を有するのは、黒ボク土壌であり、層厚黒ボク、淡色黒ボク土壌は部分的に出現する。台地の谷地田部分には、黒ボクグライ土壌が分布し、水田となっている。谷地田部分以外は、畑、平地、林、集落等になっている。
低地の土壌は、荒川流域の図幅ほぼ中央に位置する川口低地及び、鳩ヶ谷台地に接する低域から、古利根川、江戸川流域に至る中川低地に分布し、図幅最大の面積を占めている。中川低地の三郷市、八潮市にはかつて広大な水田地帯があり、次第に潰廃されてせばまりつつある。低湿な地帯であり、細粒で強粘な、黒泥、泥炭土壌が主体を占め、次いでグライ土壌が分布する。乾田でみられる、灰色低地土系の土壌は、河川沿いに散見されるに過ぎない。自然堤防には粗粒から細粒にわたる、灰色低地土壌が一般に分布し、畑や集落となっている。草加市、川口市と東京都との境界付近には市街化が進んでいるための未区分地が大きい。川口低地の荒川左岸の川口市、戸田市でも、古くから都市化しており、自然堤防はもとより、近年では低湿な氾濫原の水田地帯も工業地域へと急速に変貌している。昨今では耕地として残存する部分は極めて少ない。既往調査資料がほとんどなく、かつ捕捉調査もできない所が多いため、未区分地面積が大きくなっている。
林地土壌は、大部分が武蔵野の平地林土壌で、台地上に分布する厚層黒ボク土壌と、黒ボク土壌である。厚層黒ボク土壌は、所沢台地上と、武蔵野台地及び鳩ヶ谷台地上の比較的凹部に多い。黒ボク土壌は同じ台地上に厚層黒ボク土壌といりまじって点在している。黒ボク土壌には、桶川統のほかに平林寺境内の土壌化の進んだ平林寺統がある。
本図幅の土壌は、11土壌統群に大別され、21土壌統に区分された。

ページの先頭へ戻る

2土壌細説

2-1台地の土壌

2-1-1厚層黒ボク土壌

美園統(Ms)

台地上のやや凹地に出現し、風積性火山灰を母材とする林地土壌である。AO層は、3~5mのL層の下部に2~3cmのF層またはF―H層が発達している。A層は腐植に富み、黒~黒褐色で、厚さは60~80cmに達する。A層の最上部は下部よりも色がやや淡い。これは表層の土壌化が進行したものである。腐植のB層への滲透も桶川統寄り大きい。台地内では桶川統といりまじって分布している。

太田ヶ谷統(Og)

所沢台地に接する武蔵野台地中位面に、帯状に分布するものが大きいが、新座市の平林寺近辺にも分布が見られる。腐植含量10%を超える壌質な黒色の土壌がほぼ1m近く、あるいはそれ以上の厚さに堆積した土壌である。分布面積は、あまり大きくない。

2-1-2黒ボク土壌

桶川統(Ow)

武蔵野台地及び北足立台地、鳩ヶ谷台地に点在する林地土壌でMs統とともに平地林の代表的土壌である。地域により多少のちがいが認められるが、黒褐色の比較的腐食に富んだ、薄い、団粒~塊状構造の腐植層の下に、暗褐色の厚さ30~50cmの腐植層があり、褐色の下層土に急変する。Ms統より腐植層の厚さが少ない。

平林寺統(Hr)

武蔵野台地の平林寺境内に分布する森林土壌である。桶川統とともに、火山灰を母材とする黒ボク土壌であるが、長年月安定した森林下に生成され、腐植の滲透、層位の分化等土壌化が進行している。AO層はF―H層が1~2cm発達し、黒褐色のA層は約50cmでかなり厚く、表層は団粒状構造が見られる。B層は無構造であるが、桶川統より固くない。植生はアカマツの大径木を上木とし、クヌギ、コナラ、イヌシデ等を下木とする天然生針広混交林となっている。林地の生産力は中以上である。

冑山統(Kb)
武蔵野台地及び鳩ヶ谷台地の大部分を占める土壌である。堆積様式は風積で、表土は壌質で腐植含量は7~8%で黒褐色を呈する。腐植層厚は30~50cmで、下層には一般に腐植含量3%程度の漸移層があるが、この層は通常20cmを超えない。その下層に腐植を欠き黄褐色の、いわゆる火山灰心土が出現する。耕地としては畑利用されているが、生産力は中程度である。

高倉統(Tk)

本図幅内の所沢台地のほとんど全部と、それと隣接する武蔵野台地にやや広大に分布する。層序的に、表層の腐植含量が10%以上と高い以外は、冑山統と同様であり下層から、黄褐色の心土層が出現する。生産力特性もほぼ冑山統に準ずる。

2-1-3黒ボクグライ土

三ツ木統(Mtu)

本図幅では鳩ヶ谷台地の谷地田及び武蔵野台地、和光市新倉の谷地田に、小面積分布する。表土は火山灰の2次堆積物であり、腐植含量は10%以上で黒色を呈し、壌質である。50cm以内に泥炭層があり、下層はグライ化している。水田利用されているが、生産力は高くない。

片山統(Kt)

武蔵野台地を流れる黒目川の沿岸に開けた、谷地田に限り特徴的に分布する土壌である。全層多腐植層からなる2次堆積性火山灰土壌であり、下層は灰黒色となり、グライ化している。水稲の根系障害のおそれが多い湿田であり、収量は少ない。

下倉統(Skr)

武蔵野台地の柳瀬川沿辺の多に地田だけに分布する。全層腐植を含み、壌質な火山灰の2次堆積土壌である。土色は片山統にくらべ、腐植含量が少なく、若干褐味がある。しかし下層はおおむねグライ化しており、彩度、明度とも低い色調となる。片山統と同様、湿田地帯となっており、収量は少ない。

2-1-4淡色黒ボク土壌

児玉統(Kd)

武蔵野台地上に小面積分布する風積性火山灰土壌である。表土の腐植含量は5%を超えず、腐植層厚もせいぜい20~30cmで、壌質である。下層は冑山統と同様に黄褐色の心土となる。冬期に風蝕を受け易い土壌である。畑として利用されているが、生産力は中程度である。

ページの先頭へ戻る

2-2低地の土壌

2-2-1細粒灰色低地土壌

平塚統(Htu)

中川低地の江戸川縁り、川口低地の荒川と新河岸川に挟まれた、下内間木などの後背湿地に、小面積ずつ存在する。表層は腐植を欠き、全層灰色の明るい層序をもち、強粘質である。下層の構造は発達している場合が多い。乾田となっており、生産力は高い。

下樋遺川統(Shy)

中川低地の江戸川沿いの自然堤防に分布する。全層強粘な土壌から成り、酸化沈積物が認められる。構造の発達は顕著ではない。耕地としては、畑、陸田となっている。

2-2-2灰色低地土壌

清水統(S)

中川低地の古利根川沿いの自然堤防にやや広く分布し、また川口低地の荒川縁りにも点在する。表土は壌質ないし粘質である。腐食含量は少なく、斑紋が認められる。下層では若干明度を増し、おおむね粘質であるが、場合によっては強粘土壌となることもある。構造の発達は一般に明瞭でない。畑及び陸田としての利用が多く、生産力は比較的高い。

2-2-3粗粒灰色低地土壌

向古河統(Mk)

古利根川の八潮市側の堤外耕地となっている部分(氾濫原)に分布している。全層腐植を欠き、表土下層とも砂質土壌である。酸化沈積物がみられ多少とも水の影響がある。畑として野菜作りが行われている。

2-2-4細粒グライ土壌

伊佐沼統(Isa)

図幅東端、江戸川縁りの三郷市岩野及び、図幅中央西寄りの志木市宗岡の水田にみられる。いずれも低地の氾濫原にある。全層強粘な埴質土からなり地下水位は高く、湧水面は50cm以内である。作土直下から50cm以内でグライ層となる。通常グライ層には斑紋等は全くない場合が多いが、稀に黄褐管状斑が植物根沿いにみられることがある。強湿田の代表であり、暗渠排水等工事の緊要な土壌の一つである。

山田統(Ya)

中川低地の古利根川と大場川の囲む付近及び、川口低地の浦和市松本新田の各氾濫原水田に主な分布のみられる土壌である。全層強粘質土壌で腐植含量は2%以下である。ほぼ50cm以下にグライ層を有し、半湿田であるが、裏作は可能で、生産力は比較的高い。

2-2-5グライ土壌

片柳統(Ku)

川口低地の荒川左岸の堤外及び、右岸の上内間木の水田に小面積みられる。表土は壌質ないし粘質であり、下層が強粘質土壌となることもある。50cm以下でグライ層が出現する。裏作可能な水田であり、山田統同様生産力は比較的高い。

2-2-6低位泥炭土壌

鯨井統(Ku)

中川低地において、三郷市の古利根川や江戸川寄り、草加市の綾瀬川沿辺及び、川口市手長掘付近の水田などに分布する。一般に全層強粘な土壌であるが、下層が壌質となることがある。下層50cm~1m間に泥炭層、泥炭質層が出現し、この付近から、おおむねグライ化しているとみられる。裏作は通常困難であり、生産力は高くない。

下八ツ林統(Syb)

中川低地三郷市水田の中部にやや大きな面積分布している。層序的には鯨井統の泥炭出現位置が上昇し、50cm以内から泥炭層、泥炭質層が出現する土壌である。鯨井統と隣接して分布することが多いが、更に強湿、還元条件下にあり、水稲は根系障害を受け易く、暗渠や、排水路の完備が望まれる土壌である。

小沼統(Kom)

川口低地浦和市内谷から戸田市新曽にかけての水田地帯及び荒川右岸の新河岸川沿いの和光市下新倉の水田に、比較的広い面積を占めている。表土は黒褐色を呈し壌質であり、火山灰土壌の混入を相当に受けた土壌である。50cm以内で黒色の黒泥まじりの泥炭質層があり、通常下層60~70cmから、灰黄褐系の明度の低い粘質土壌の出現をみることが多い。水の影響を受けた火山灰心土とも考えられている。下層はグライ化しており、湿田であり生産力は乏しい。

2-2-7黒泥土壌

花和田統(Hw)

中川低地三郷市花和田、それと古利根川を隔てた八潮市の水田地帯及び、川口低地の新河岸川沿辺の朝霞市根岸の水田にみられる土壌である。表土は強粘質土壌から成り下層は50cm以内から黒泥層となる。下層1m以内で強粘土壌が再び出現する場合もある。下層は一般にグライ化しており、裏作は一般に困難である。

埼玉県農業試験場秋本俊夫
埼玉県林業試験場野村静男

ページの先頭へ戻る

4傾斜区分図

〔水海道地域〕

本地域は平坦な宝珠花台地と中川低地とからなる地形起伏の少ない所である。従って、台地の洪積統と低地の沖積統とが接触する崖において傾斜面が観察され、作業規程によって計測される。台地と低地からなる地形であっても隣「鴻巣」図幅の地形に認められるような谷地田と台地上の面との崖、砂丘地帯に生じている崖の3°以上の傾斜区分は本図幅には適用されない。従って、本図幅は鴻巣図幅の地形よりもさらに起伏が貧弱になっている。
本図幅は作業規程の傾斜区分を求めるために、等高線間隔の水平距離に対する高度差の形成する傾斜角をあらかじめ計算した数表を用いて算出した。「鴻巣」図幅では水平距離50m以上に対する平均斜角を算出して、傾斜区分を求めたが、傾斜区分の分類範囲内では両図幅間に差は認められなかった。図幅の南北および東西をそれぞれ30,36等分ずつして傾斜区分を求める算出方法は上記2方法に比較して、埼玉県内平野部の微地形の傾斜を表示するのに適切ではないと判断し、用いなかった。
上記の算出により求めた傾斜区分では、一般傾斜は台地と低地の境界で3°~8°である。中川低地にのぞむ庄和町目沼~屏風鷲の巣付近および宝珠花市街地西部ではこの範囲の傾斜区分に属している。その他、江戸川にのぞむ庄和町槇野地でも3°~8°の傾斜区分に属している。一方、8°~15°の傾斜区分は局所的に庄和町目沼に認められる。しかし、ここは人工的に用排水路を切り割りした箇所であり、本来の傾斜区分は3°~8°に属するかもしれない。

(埼玉大学松丸国照)

〔東京東北部・東京西北部〕

本調査地域では台地と低地からなるため、一般に傾斜区分は小さい。作業規程により求めた傾斜区分は大半が3°未満であり、3°~8°は北足立台地鳩ヶ谷支台が川口低地および中川低地にのぞむ所の一部であり、川口市前野宿、谷田、赤井―東本郷間である。一方、武蔵野台地においては台地が川口低地に臨む崖、白子川、黒目川、柳瀬川および各河川支流域、平林寺付近において、3°~8°8°~15°、時に15°~20°の傾斜が存在する。

(埼玉大学松丸国照)

ページの先頭へ戻る

5水系・谷密度図

〔水海道地域〕

本地域の水系は、全体としてNNW―SSE方向を示し、ほぼ南に流下している。古利根川、権現堂川、荘内古川、千葉県と県境を持つ江戸川およびこれら河川系に明らかに結びつけられた運河(例えば、幸手町木立―関宿橋間に見る荘内古川―江戸川間の運河)、水田耕作用水としての倉松落堀などが重要な水系として認められる。そのため、水系図は現在認められている川幅1.5mを超える河道のほか、用水堀も含めて作成され、作業規程に基づいて、谷密度図が作成された。水系と谷密度はほぼ全般的に一致し、主要河川および分枝支流では谷密度は高い。算出した数値では6~26であり、とりわけ古利根川―荘内古川間においては高く平均16.2である。この谷密度の数値は地形の起伏量が貧弱な割には非常に高いと言える。
表層地質と水系、谷密度との関係は低地の砂泥堆積物地域に水系が多いため谷密度は高い。当地域は水田耕作地として最適である。

(埼玉大学松丸国照)

〔東京東北部・東京製北部地域〕

本調査地域において谷密度が作業規程により算出された。求めた数値をみると、0~20であり、武蔵野台地上で0がかなり集中しており、川口低地および中川低地においては4~8が集中するという傾向が認められる。水系と谷密度両者の相関性は当然ながら高く、主要河川の水系および支流の合流付近では谷密度は最も高い。低地の後背湿地の平坦な所は0であるが、全体としては4~8が普通である。
本地域では荒川が新河岸川と一番接近する戸田ゴルフ場付近で20の谷密度値が得られた。

(埼玉大学松丸国照)

ページの先頭へ戻る

6利水現況図

〔河川〕

(水海道)

本地域は、全域が関東平野に属し、本県東部に位置している。
降水量は、杉戸で日降雨量245.6mm(昭和33年9月26日)を記録しているが、年平均降水量は、1200mm程度であり、県内では少ない地域に属している。
地形的には、全域がほぼ平坦であり、江戸川筋の畑をのぞくと一面が水田地帯になっている。これら水田への灌漑は、中島用水、木津内用水などの用水網でなされている。
上水、工業用水は、地下水を利用している。

(東京西北部)

年平均降水量は、所沢で1640mm、浦和では1354mmと本図葉の中でも大きな差がある。また日雨量最大では、浦和で昭和33年9月26日の狩野川台風のときに334mmを記録している。農業用水は河川水を利用しており、本図葉の荒川より東部の地域には、見沼代用水の末端がきている。
飲料水は、河川水、地下水を併用している。

(東京東北部)

年平均降水量では、越谷で1357mmで県内では平均的な降水量の地域である。日雨量最大では越谷で昭和33年9月26日の狩野川台風の時に305mmを記録している。
農業用水は河川水を利用している。江戸川、中川にはさまれる地域は二郷半領用水、中川、綾瀬川にはさまれる地域は、葛西用水、綾瀬川以西は見沼代用水の各受益地に分けられる。飲料水は、河川水、地下水を併用している。

ページの先頭へ戻る

〔農業水利〕

(水海道)

中川水系の沖積低平地の水田地帯であり、用排水路を管理する土地改良区が同一地域に3~5ほど重複し、用排水系統が複そうしている地域で、土地改良区の合併、統合を進める必要がある。用水は中川を境に葛西用水の利根川系と江戸川系に分かれており、それぞれ安定している。利根川系は農業用水合理化対策事業の進捗により、ほ場整備も進み排水条件も改良されてきている。江戸川系は、面整備の遅れから一部排水不良も見られるが、それほど深刻な状態ではない。

(東京西北部)

荒川支流新河岸川をおおむねの境として、西側が洪積台地、東側が沖積低平地に分かれている。洪積台地は三富開拓(三芳町、所沢市の一部に代表されるように旧来からの畑作地帯で水田がほとんどないことから、農業水利については見るべきものがない。沖積地は見沼代用水の区域で水源は安定しているが、現在国営及び県営等による都市に余剰水を供給するためのかんがい排水事業が行われており、当地域はその最下流部にあたる。
この図幅内は、東京都に接しほとんどが市街地化区域となっていることから都市化が進み、既成市街地を形成している地域が多く、今後農業は衰退の一途をたどると考えられる。また用排水路も下水路化しているものが多く、その維持管理が今後の問題となろう。

(東京東北部)

用水系統が見沼系、葛西系、江戸川系に分かれ、それぞれの最末流に位置する中川水系の沖積地域である。かつては低平な水田地帯であったが、首都に接することから農地の壊廃が激しく、残存水田への水質汚濁、地盤沈下等の環境悪化が著しい地域である。
この図幅内には農業振興地域が設定されていないことから、農林側からの対策は一部地域を除いて特にないまま農地転用が進み、いずれは東京ゼロメートル地帯に連なる宅地、工場が密集した地域となり、現存の土地改良区の区域も消滅するものと考えられる。

ページの先頭へ戻る

7防災図・冠水区域図

(水海道)

本区域は、地質的に江戸川周辺の畑地帯をのぞくと全域が第4紀沖積層で低平地となっている。
治水上は、東側を江戸川の堤防で守られており、西に向かって中川、倉松川、大落古利根川と中川水系の河川が南北に流れている区域である。
中川は、排水量0.35平方メートルS/平方キロメートルと流過能力が小さく、大雨の際に河川が満流になりやすく、内水排除ができなくなることがあり、本図葉のように中川と倉松川付近の低平地が浸水被害をうける恐れのあることを示している。
冠水区域図は、想定浸水区域図をもとにして作成した。浸水区域の分類は地形標高および既往の降雨継続時間から考えて1.5日間雨量を対象とし、大河川破堤及び局地的な高位地については考慮していない。
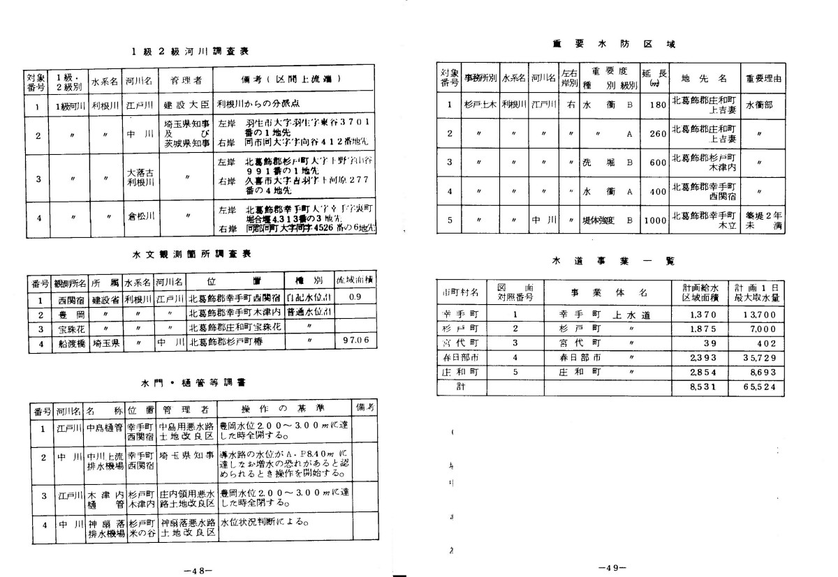
本図葉の重要水防区域は、江戸川については、水衝部に対する補強等を示すものであり、中川については、築堤後の年数不足ということである。

水利防災図関係調査表

ページの先頭へ戻る

(東京東北部)

この地域は埼玉県の東南部に位置し、地域の中にある一級河川は、江戸川、大場川、第大場川、中川、垳川、古綾瀬川、綾瀬川、伝右川、毛長川などがあり中川流域の流水が全部この地域を通過して、東京港に注いでいる。
古来においては、利根川、荒川、入間川が合流、氾濫を繰り返していたところであり、地形勾配も緩い、低平地の沖積層を形成している地域である。
この地域は、東武伊勢崎線、国道4号などが走り、また東京都と隣接している為、近年の都市化は著しく、かつての水田地帯が激しい速度で開発されており、全域都市化も近い将来のことと考えられる。このような状況から、降雨流出量の増大が特に目立っている。一方、これを受け入れる河川の改修は遅れており、しかも、その末端は高水河川に流出している為、多くの河川は円滑に排出出来ないのみか逆流して堤内地に浸水する危惧にさらされている。また、地盤沈下の進行、排水路網の整備、感潮区間であることも重なり、少降雨でも浸水、湛水が発生し農村型から都市型被害へと変化している。この地域の治水計画としては、この流域は中川流域の排水を受け持つ河川が集中しているところであるうえ、下流部の市街地化の進行により、大幅な河道改修が望めないため、この地域の洪水の集中を防ぐことである。このため中川流域の上流部において、荒川、利根川、江戸川に放水路で対応するとともに、調節池、河道改修の三面からの治水計画が考えられる。この地域における排水系体は綾瀬川水系と、中川水系に大別でき、綾瀬川は、河道改修が困難であるため、上流部排水に対応するには、草加市内において、中川へ排水する放水路の新設を行い、下流部は伝右川の一部、毛長川の洪水を処理する河川とする。
中川は、綾瀬川放水路、自己流域の洪水を三郷放水路により、江戸川へ排水する。三郷放水路は中川から江戸川へ最大170平方メートル/S、大場川から江戸川へ最大30平方メートル/Sの洪水調節が可能になるが、現在は100平方メートル/Sのポンプが設置されている。
これら地域は、排水機場施設が必要であり、現在、垳川に設置されているが、その他、伝右川、大場川、毛長川での設置を実施中である。
この地域での主要洪水を上げると、昭和22年のカスリーシ台風、昭和33年狩野川台風、昭和36年第2室戸台風、昭和41年台風第4号がある。これらに共通している点は、湛水日数が長く、湛水深が大きいところである。昭和33年の時には、湛水日数が5日間、湛水深が1.2mにわたったところもある。また、記憶に新しいところでは、昭和54年10月18日の台風20号により、主に草加市、八潮市に浸水家屋約11000戸、浸水面積1057haが生じたところであり河川機能である治水、利水、親水が共に満たされていない地域である。冠水区域図は想定浸水区域図をもとに作成した。
浸水区域の分類は、地形、標高及び既往の洪水時における浸水状況を考慮して決めたものであって、降雨量は、既往の降雨継続時間から考えて1.5日間雨量を対象とし、大河川の破提及び局地的な高位置については考慮していない。
本図葉の重要水防区域は、江戸川においては、堤防の基礎地盤軟弱なための提体不足であり、中川、綾瀬川では堤防の余裕高及び断面不足である。

ページの先頭へ戻る

(東京西北部)

この地域は、荒川によって大きく東部・西部の2つに分けられる。西部は、武蔵野台地の丘陵地を大部分形成しており、いわゆる武蔵野のおもかげを残した土地が多くみうけられる。また荒川をはさんで東部は大部分が沖積層によって形成される低い地域である。本図葉の地域全域についていえることは、西武池袋線・東部東上線・京浜東北線・武蔵野線・国道17号線、また、国道254号線と交通の便が良く、その上、東京都と隣接している為、近年の都市化は著しく、かつての農林地域が激しい速度で開発されており、全域都市化も近い将来のことと考えられる。このような状況から、降雨流出量の増大が特に目立っている。一方、これを受け入れる河川の改修は遅れており、しかも、その末端は高水河川の荒川に流出している為、多くの河川は円滑に排出出来ないのみか逆流して堤内地に浸水する危惧にさらされている。また、地盤沈下の進行、排水路網の整備、感潮区間であることも重なり、少降雨でも浸水、湛水が発生し農村型から都市型被害へと変化している。このような状況から、現在、笹目川、菖蒲川、芝川、新芝川などに排水機場を設け洪水時にはポンプにより内水の排除に努めている。
この地域での主要洪水を上げると、昭和22年のカスリーシ台風、昭和33年狩野川台風、昭和36年第2室戸台風、昭和41年台風第4号がある。これらに共通している点は、湛水日数が長く、湛水深が大きいところである。
冠水区域図は、想定浸水区域図をもとに作成した。
浸水区域の分類は、地形、標高及び既往の洪水時における浸水状況を考慮して決めたものであって、降雨量は、既往の降雨継続時間から考えて1.5日間雨量を対象とし、大河川の破提及び局地的な高位置については考慮していない。
本図葉の重要水防区域は荒川においては、新荒川大橋、東北線鉄橋、戸田橋、笹目橋において橋梁の余裕高不足であり、川口市元郷から戸田市早瀬の左岸側は堤防の余裕高及び断面不足、戸田市下笹目から上尾市西貝殻までの左岸側は堤防の断面不足、朝霞市下内間木から和光市下里までの右岸側は堤防の基礎地盤軟弱による法崩壊、朝霞市下内間木より比企郡吉見町地頭方までの右岸側は、堤防の断面不足、また三領水門と笹目樋管が老朽により重要水防区域にしていられている。白子川では、和光市吹上の1300mの左右岸が堤防の余裕高不足により、重要水防区域に指定されている。

水利防災図関係調査表

お問い合わせ

企画財政部 土地水政策課 総務・国土調査担当

郵便番号330-9301 埼玉県さいたま市浦和区高砂三丁目15番1号 本庁舎2階

ファックス:048-830-4725

より良いウェブサイトにするためにみなさまのご意見をお聞かせください

このページの情報は役に立ちましたか?

このページの情報は見つけやすかったですか?